home Famiglie Norelem 04000 Staffe Morsetti ganasce di bloccaggio Staffe di bloccaggio 04050 Staffa di bloccaggio regolabile
Staffe di bloccaggio

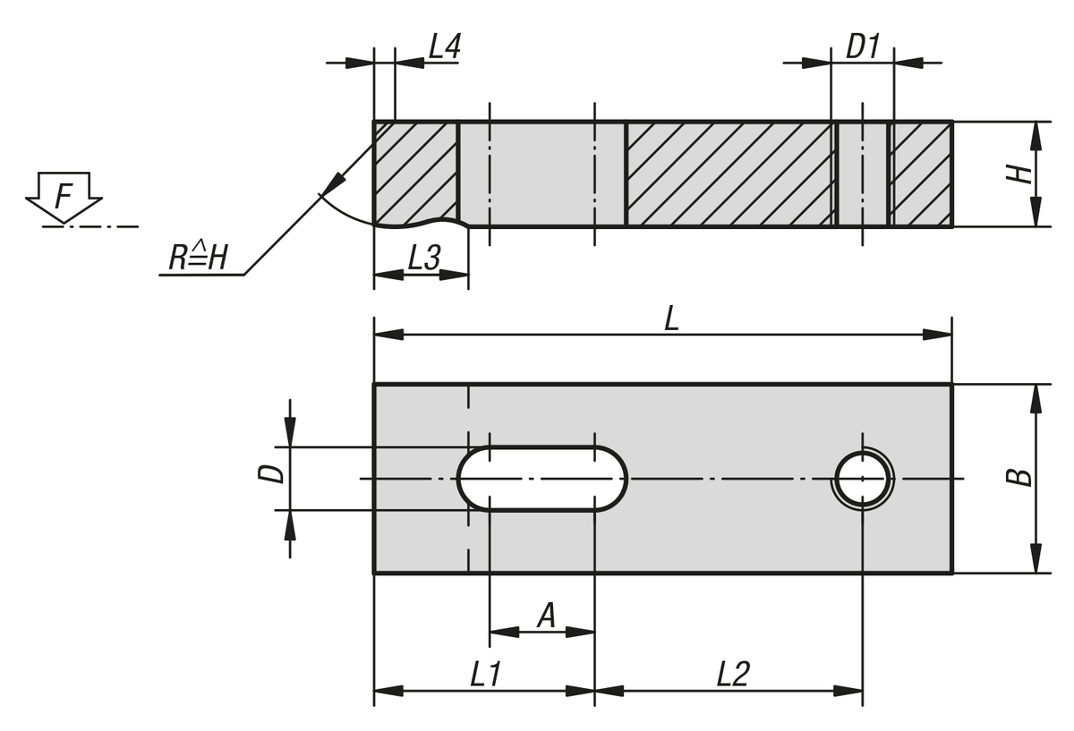
04050 Staffa di bloccaggio regolabile

 Staffa di bloccaggio regolabile

 

Materiale: Acciaio da bonifica 1.1191.

Versione: brunito.

Nota: Se si utilizza la rondella conica 07420 scegliere la forma G.

Se necessiti di più dettagli su:

04050 Staffa di bloccaggio regolabile