home Famiglie Norelem 07000 Bulloneria golfari sollevamento Ghiere, dadi manicotti regolazione, forcelle, anelli di serraggio 07595 Ghiere con arresto elastico
Ghiere, dadi manicotti regolazione, forcelle, anelli di serraggio

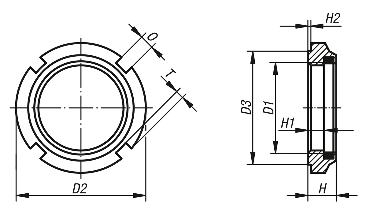
07595 Ghiere con arresto elastico

Materiale:
Acciaio automatico. Anello di fermo: poliammide (max. 100 °C).
Versione:
Superfi cie zincata.
Esempio di ordine d‘acquisto:
nlm 07595-24
Nota:
L‘impiego delle ghiere con fermo elastico off re enormi vantaggi
in termini di costo, poiché consente di fare a meno di piastrine di
sicurezza e anche care sedi per chiavette.
L‘anello di poliammide è resistente alla benzina e all‘olio.
Le ghiere con fermo elastico sono utilizzabili più volte.
Indipendentemente dalla coppia di serraggio resistono a vibrazioni
e oscillazioni di maggiore intensità e possono essere utilizzate
anche come dadi di bloccaggio.

Ghiere con arresto elastico

Se necessiti di più dettagli su:

07595 Ghiere con arresto elastico