Golfari, anelli di sollevamento, grilli, staffe di sollevamento
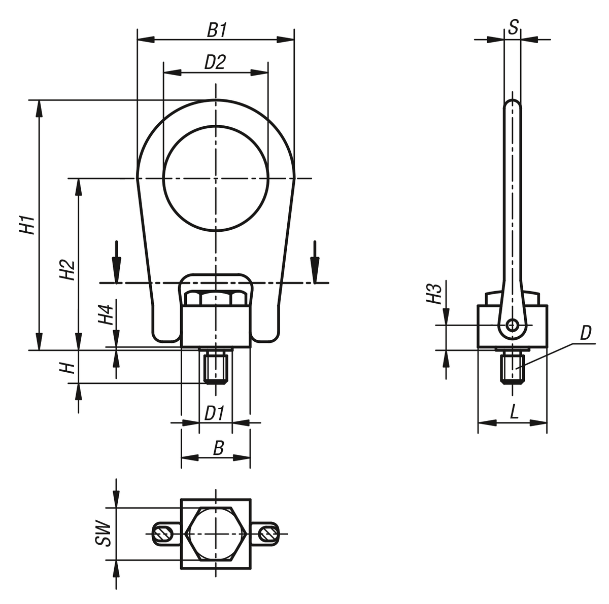
07774 Staffa di sollevamento girevole
Materiale:
Acciaio da bonifi ca.
Versione:
brunito.
Esempio di ordine d‘acquisto:
nlm 07774-10
Nota:
Ogni versione viene sottoposta a una verifi ca visiva dopo un
esame della capacità portante (fattore di sicurezza 5).
A ogni staff a di sollevamento è allegata una scheda dati di
sicurezza per l‘installazione.
Non utilizzare rondelle distanziatrici tra la fl angia della boccola e
la superfi cie di appoggio.
Le viti devono essere serrate con il momento torcente indicato e
devono essere verifi cate ed eventualmente riavvitate a intervalli
regolari. Dopo il montaggio è necessario verifi care se la staff a è
mobile e girabile liberamente in tutte le direzioni.
Sollevare con attenzione, evitare sollecitazioni d‘urto.
La capacità di carico della staff a non deve essere superata.
