home Famiglie Norelem 95000 Ruote Tecnica di trasporto e di movimentazione Sfere portanti 95156-01 Sfere portanti carico pesante – full inox
Sfere portanti

95156-01 Sfere portanti carico pesante – full inox

Materiale:
Elementi sferici acciaio inox 1.4021.
Alloggiamento acciaio inox 1.4301
Versione:
Superfi cie non trattata.
Esempio di ordine d‘acquisto:
nlm 95156-01-322
Nota:
Le sfere portanti in acciaio pieno sono concepite per una lunga durata con carico d‘urto.
Le guarnizioni antipolvere e le aperture autopulenti sono già installate nelle unità.
Tutte le unità sono dotate dell‘alloggiamento in acciaio pieno e superfi cie temprata.

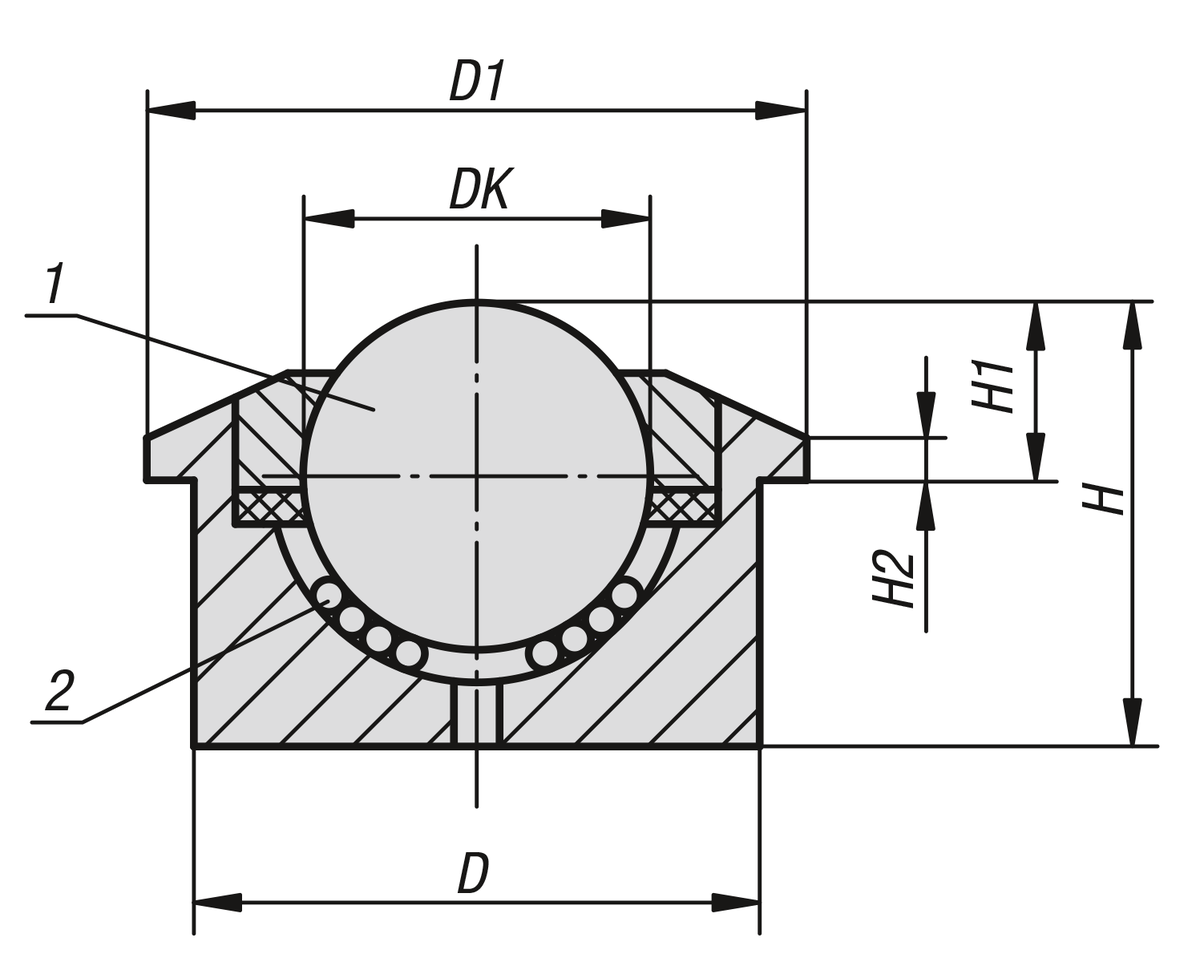
 Sfere portanti carico pesanteNota disegno:

1) Sfera di carico
2) Sfera portante

Vedi nell’allegato anche la nota tecnica  per uso e dimensionamento piani a sfere per movimentazione e supporto

 

 

Se necessiti di più dettagli su:

95156-01 Sfere portanti carico pesante – full inox