home Famiglie Norelem 26000 Molle elicoidali a compressione, Molle in elastomero, Tamponi, Ammortizzatori, Molle a gas Tamponi in gomma, ammortizzatori 26182 Ammortizzatori strutturali con ammortizzazione assiale, versione soft
Tamponi in gomma, ammortizzatori

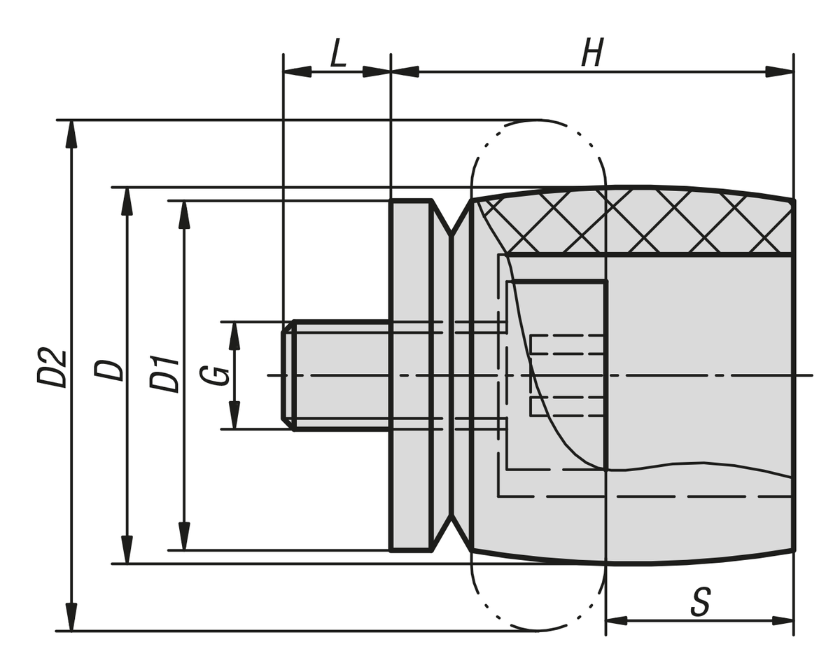
26182 Ammortizzatori strutturali con ammortizzazione assiale, versione soft

Materiale:
Elastomero termoplastico in co-poliestere
Versione:
Durezza materiale Shore 40D.
Esempio di ordine d‘acquisto:
nlm 26182-01407
Nota:
Indicato per arresto di emergenza e applicazioni permanenti.
Riduzione del consumo energetico: dal 35% al 64%.
Assorbimento dinamico di forza: da 533 N a 10110 N.
Velocità di avanzamento: max. 5 m/s.
Gli ammortizzatori strutturali non richiedono manutenzione e sono
forniti pronti per il montaggio con una vite di fi ssaggio speciale.
Ambiente: resistente a microbi, acqua salmastra, agenti chimici,
ottima resistenza agli UV e all‘ozono. Nessun assorbimento di
umidità e nessun rigonfi amento.
Utilizzo:
Slitte e guide lineari, cilindro pneumatico, dispositivi manuali,
macchine e impianti.
Range di temperatura:
Da -40 °C a +90 °C.
Montaggio:
Posizione di montaggio: a piacere.
Vite di serraggio da fi ssare in via aggiuntiva con Loctite.

Ammortizzatori strutturali con ammortizzazione assiale, versione soft

Se necessiti di più dettagli su:

26182 Ammortizzatori strutturali con ammortizzazione assiale, versione soft