home Famiglie Norelem 08000 Bussole e dispositivi di foratura Unità di foratura, piastre, prismi, colonne etc 08640 Dischi forati indicizzati per unità di foratura di pezzi cilindrici
Unità di foratura, piastre, prismi, colonne etc

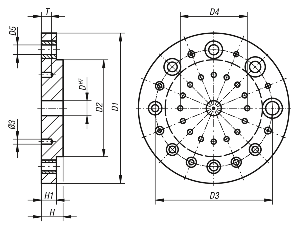
08640 Dischi forati indicizzati per unità di foratura di pezzi cilindrici

Materiale:
Acciaio 1.0036.
Versione:
Superfi cie non trattata.
Esempio di ordine d‘acquisto:
nlm 08640-00
Nota:
Su richiesta è possibile strutturare i dischi forati indicizzati in base alle
indicazioni forniteci o consegnarli forati e alesati di 4 mm.
Bussole di foratura inserite a pressione 08900 D5 con 08640-00 0,7 /
0,9 / 1,1 / 1,6 / 2 / 2,5 / 3 / 3,3 / 3,8 / 4 / 4,2 / 5 / 5,8 / 6 / 6,7 / 8*
Bussole di foratura inserite a pressione 08900 D5 con 08640-02 3 / 3,3 /
3,8 / 4 / 4,2 / 5 / 5,8 / 6* / 6,7 / 8* / 8,4 / 10* / 11,8 / 12* / 13,8 / 15*
* Boccola di base per boccole di foratura a innesto.

Dischi forati indicizzati per unità di foratura di pezzi cilindrici

vedere anche note tecniche in Tecnologie–>foratura

 

Maschere e unità di foratura DIN 6348 – Note tecniche Norelem

 

Se necessiti di più dettagli su:

08640 Dischi forati indicizzati per unità di foratura di pezzi cilindrici